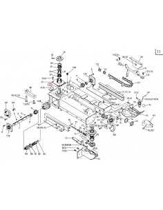
Electromotoare Starter Motor 12V 3.0 Kw With Reduction Gear Letrika - MAHLE IS1016 11.131.705, AZF4183, MS25 View