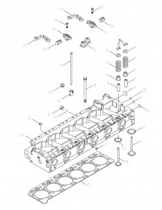
Cylinder Head

Product added to wishlist
Product added to compare.

iqitcookielaw - module, put here your own cookie law text