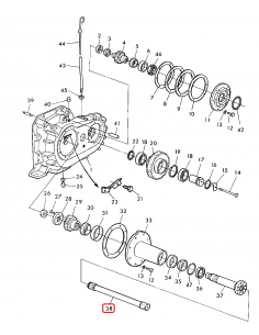
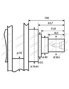
Home Clutch Booster, Compessed-Air System 31.8x54 mm FTE FAG Hydraulics MHV54001.1 1-31-723-101, 04411564.4 View