Z12885
John Deere 2054, 2056, 2058, 2064, 2066, 2254, 2256, 2258, 2264, 2266, 2266EXTRA
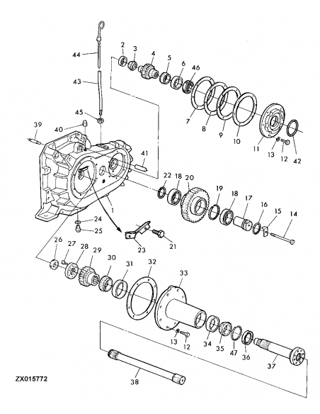
| KEY | PART NO. | PART NAME | QTY | Serial No. | 2264 | 2266 | 2266E | REMARKS |
| 1 | AZ54678 | Case | 1 | X | (SUB FOR AZ53007) | |||
| 1 | AZ49960 | Housing | 1 | X | X | |||
| 2 | Z53552 | Bearing Cup | 1 | X | X | X | ||
| 3 | AZ41923 | Bearing Cone | 1 | X | X | X | ||
| 4 | Z12885 | Gear | 1 | X | X | X | ||
| 5 | JD10524 | Bearing Cone | 1 | X | X | X | ||
| 6 | JD10526 | Bearing Cup | 1 | X | X | X | ||
| 7 | Z53367 | Shim | 1 | X | X | X | ||
| 8 | Z53366 | Shim | 1 | X | X | X | ||
| 9 | Z53365 | Shim | 1 | X | X | X | ||
| 10 | Z53364 | Shim | 1 | X | X | X | ||
| 11 | Z12884 | Cover | 1 | X | X | X | ||
| 12 | 19M7168 | Cap Screw | 14 | X | X | X | M10 X 30 | |
| 13 | 12M7013 | Lock Washer | 14 | X | X | X | 10.200 MM | |
| 14 | 19M7346 | Cap Screw | 1 | X | X | X | M10 X 110 | |
| 15 | Z53556 | Angle | 1 | X | X | X | ||
| 16 | Z58296 | O-Ring | 1 | X | X | X | ||
| 17 | Z58294 | Pin Fastener | 1 | X | X | X | ||
| 18 | AZ46065 | Tapered Roller Bearing | 2 | X | X | X | ||
| 19 | Z58293 | Snap Ring | 1 | X | X | X | ||
| 20 | Z12259 | Gear | 1 | X | X | X | ||
| 21 | 19M7300 | Cap Screw | 2 | X | X | X | M6 X 10 | |
| 22 | Z58295 | O-Ring | 1 | X | X | X | ||
| 23 | Z63708 | Sheet | 1 | X | X | X | ||
| 24 | 51M4234 | Sealing Ring | 1 | X | X | X | ||
| 25 | AZ35783 | Pipe Plug | 1 | X | X | X | ||
| 26 | AZ41926 | Seal | 1 | X | X | X | ||
| 27 | 19M7657 | Screw | 1 | X | X | X | M8 X 25 | |
| 28 | Z57919 | Nut | 1 | X | X | X | ||
| 29 | Z12353 | Helical Gear | 1 | X | X | X | ||
| 30 | AZ43476 | Bearing Cone | 1 | X | X | X | ||
| 31 | Z55493 | Bearing Cup | 1 | X | X | X | ||
| 32 | Z53563 | Sealing Washer | 1 | X | X | X | ||
| 33 | Z12269 | Housing | 1 | X | X | X | ||
| 34 | Z53557 | Bearing Cup | 1 | X | X | X | ||
| 35 | AZ41924 | Bearing Cone | 1 | X | X | X | ||
| 36 | AZ48796 | Seal | 1 | X | X | X | ||
| 37 | Z12262 | Shaft | 1 | X | X | X | ||
| 38 | Z70428 | Shaft | 1 | X | X | X | (SUB FOR Z53560) | |
| 39 | 42M7043 | Stud | 2 | X | X | X | ||
| 40 | 15H238 | Pipe Plug | 1 | X | X | X | 3/4" | |
| 41 | Z66133 | Pin Fastener | 1 | X | ||||
| 41 | Z51675 | Pin Fastener | 1 | X | X | |||
| 42 | R63308 | O-Ring | 1 | X | X | X | ||
| 43 | Z61863 | Dipstick Tube | 1 | X | X | X | ||
| 44 | AT23141 | Dipstick | 1 | X | X | X | ||
| 45 | 14M7357 | Nut | 1 | X | X | X | M12 | |
| 46 | AZ49370 | Seal | 1 | X | X | X | ||
| 47 | Z62549 | Snap Ring | 1 | X | X | X |
Z12885
No reviews
You might also like
Comments (0)
No customer reviews for the moment.