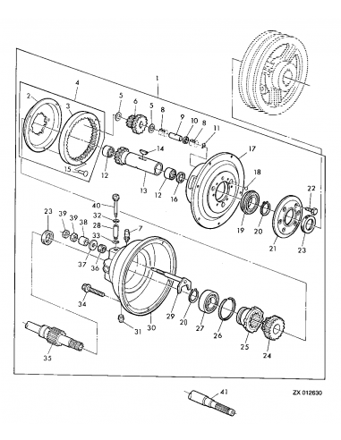
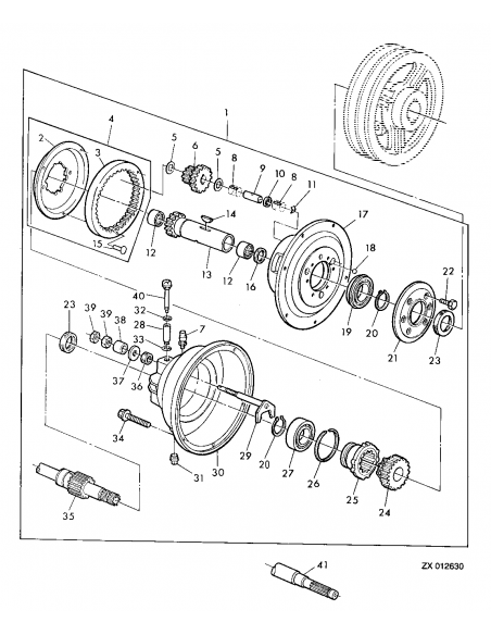
Shaft Reverser Transmision 35x2060 mm, Z-21 John Deere Z63341
Shaft Reverser Transmision 35x2060 mm, Z-21 John Deere Z63341
Shaft Reverser Transmision 35x2060 mm, Z-21 John Deere Z63341
Shaft Reverser Transmision 35x2060 mm, Z-21 John Deere Z63341

Shaft Reverser Transmision 35x2060 mm, Z-21

Z63341

 

John Deere 2064, 2066, 2264, 2266, 2266E

Z63341
No reviews

You might also like

Comments (0)
No customer reviews for the moment.
Product added to wishlist
Product added to compare.

iqitcookielaw - module, put here your own cookie law text