John Deere Z70428, Z53560
John Deere Z70428, Z53560
John Deere Z70428, Z53560
John Deere Z70428, Z53560

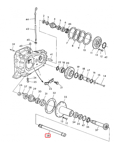
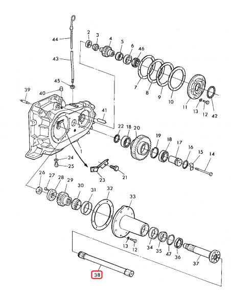
Shaft, Intermediate Drive 385 mm Z-24

Premium

Z70428

 

John Deere Combine 2054, 2056, 2058, 2064, 2066, 2254, 2256, 2258, 2264, 2266, 2266EXTRA

FJC70428-Z
No reviews
Comments (0)
No customer reviews for the moment.
Product added to wishlist
Product added to compare.

iqitcookielaw - module, put here your own cookie law text