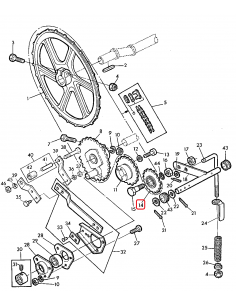
Disc, Friction Disc, Transmission & PTO Clutch Ø 149.5x305.5x3.6 mm Z-48 Aftermarket B05-AG-181 RE234306 View